Elevator Gearless Traction Machine SYM-02A

SYM-02A series is suitable for higher and bigger elevators, possible to generate bigger torque with low noise and vibration, provides comfortable rides.

FEATURES

 

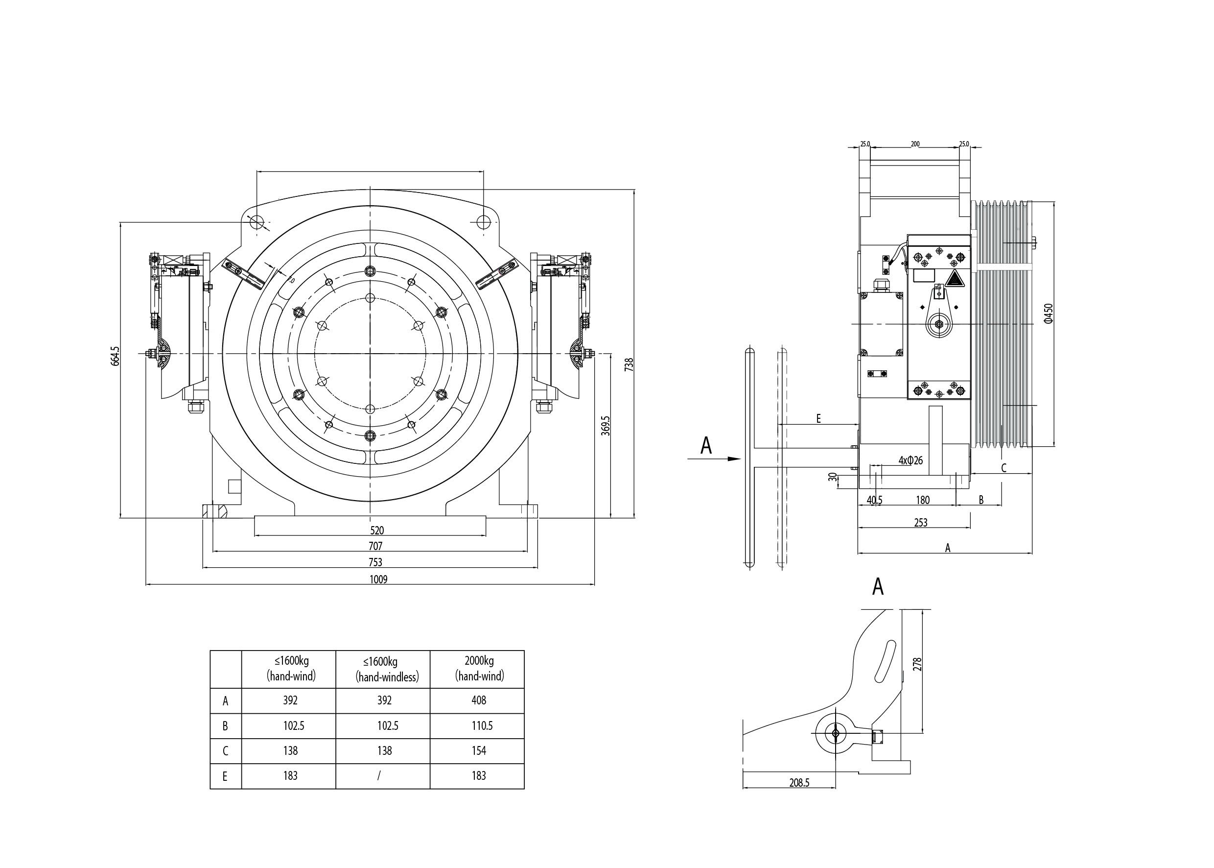
DIMENSION DRAWING

SPECIFICATION


MENU
PAGE TOP